
Contact Rating: 6A@125VAC or 28 VDC; 0.4VA max@ 20VAC OR DC max.
Electrical Life: 50,000 cycles
Contact Resistance: 10mΩ max.
Insulation Resistance: 1,000MΩ min.
Dielectric Strength: 1,500V RMS @sea level
ESD Resistant: Dissipates up to 20,000VDC

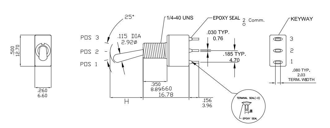
介紹:
鈕子開關,搖頭開關防水系列,有SPDT、DPDT等功能,有直腳和90度彎腳,各種端子種類跟長度,各種手柄以及各種固定方式,我們產品擁有UL、ENEC并符合ROHS規范。

